Shimano Deore XT RD-M8100 Schaltwerk Ersatzteil
Im Lieferumfang Nr 8 der Explosionszeichnung.
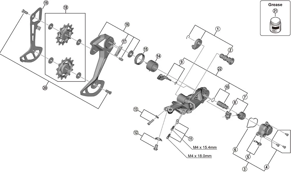
Shimano Deore XT RD-M8100 Schaltwerk Ersatzteile:
- Nr 1 : Y3FW98020 – Achseinheit Schaltwerk- Halter
- Nr 2 : Y3FW42000 – Achse Schaltwerk- Halter
- Nr 3 : Y3FW98030 – Gehaeuse- Einheit
- Nr 4 : Y5Y198070 – Schrauben Gehaeuseabdeckung
- Nr 5 : Y3FW98040 – Gehaeuseabdeckung + Kappe
- Nr 6 : Y3FA63000 – Dichtung
- Nr 7: Y3GF98040 – Stabilisator- Einheit
- Nr 8 : Y3E498040 – Nocken- Einheit
- Nr 9 : Y3FA98040 – Schalthebel- Einheit
- Nr 10 : Y5PV98060 – Schaltachsen- Einheit
- Nr 11 : Y3FW98050 – Anschlagschrauben + Platte
- Nr 12 : Y3FW98060 – Schaltzug- Klemmschraube + Platte
- Nr 13 : Y3FW98070 – Einstellschraube Spannfeder + Platte
- Nr 14 : Y3FA55000 – Spannfeder
- Nr 15 : Y3FA62000 – Dichtring
- Nr 16 : Y3FW98100 – Kettenleitblech GS aussen komplett
- Nr 16 : Y3FW98080 – Kettenleitblech SGS aussen komplett
- Nr 17 : Y3FW50000 – Anschlagsschutz GS/SGS
- Nr 18 : Y3FW98010 – Schaltrollen Satz
- Nr 19 : Y3FW16000 – Kettenleitblech GS innen
- Nr 19 : Y3FW26000 – Kettenleitblech SGS innen
- Nr 20 : Y3FW9809 – Schaltrollenschrauben
- Nr 21 : Y04121000 – Spezialfett Stabilisator
- Nr 22 : Y3FA98100 – Stabilisator- Kit- Einheit






Rezensionen
Es gibt noch keine Rezensionen.